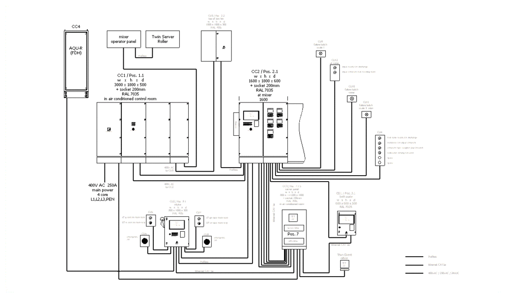
Wir bauen elektrische Schaltanlagen, Klemmkästen und Schaltschränke für den Industrie- und Gebäudebereich.

Unsere Schaltanlagen sind für die Überwachung, Verteilung und Regelung elektrischer Energie klimatisierter Anlagen zuständig. Dabei kommen je nach Wunsch sowohl klassische Komponenten wie auch hochmoderne Materialien und Technologien zum Einsatz, wie zum Beispiel: innovative Steuerungssysteme, elegante Touchscreens und moderne Netzwerkkomponenten.
Kurz: Der Schaltschrankbau und die Elektroplanung gehören zu unseren Kernkompetenzen!
Von der Elektroplanung bis zur weltweiten Inbetriebnahme erstellen wir Steuerungen in modernster Technik für Produktionsanlagen vom Wareneingang bis zum Fertigprodukt.
Stücklisten, Kabellisten, Stromlaufpläne, Klemmenpläne und Kabelübersichtspläne sind in allen Sprachen möglich. Wir erstellen die Elektroplanung in EPLAN P8 als Firmenstandard, Alternativen sind auf Anfrage möglich.



Fachkräfte unserer SPS-Abteilung nehmen die vorgeprüften Steuerungen an der Zielanlage Vorort in Betrieb und garantieren einen reibungsfreien Anlauf der Produktionsanlagen.
VPN Fernwartung für Computer und SPS als Dienstleistung, stellt im Bedarfsfall eine schnelle Hilfeleistung bzw. Störungsdiagnose sicher und das auch über Kontinente hinweg.
Wir führen auch steuerungstechnische Modernisierungen von sämtlichen bestehenden Anlagen aus.
Bei Anlagen in explosionsgefährdeten Bereichen helfen wir Ihnen bei der Zoneneinteilung und Interpretation von ATEX – Vorschriften. Nachweis der Eigensicherheit.

Sie haben noch Fragen zu unserem Produkt oder würden gerne weitere Details besprechen? Dann melden Sie sich bei uns!
ANDREAS STEHMER
Geschäftsführer
Leiter Schaltschrankbau und
Elektroplanung
Telefon: +49 7527 9604-18

Und hier sehen Sie, dass wir mit beidem gut zusammenarbeiten können: mit kleinen Familienunternehmen und großen multinationalen Konzernen: